首页
关于我们
公司概况
企业文化
发展历程
企业荣誉
公司架构
核心产品
全自动玻璃盖板印刷系
全自动烘烤炉系列
3D玻璃全制程系列
其他
新闻中心
公司动态
行业资讯
视频中心
投资者关系
实时行情
公告
信息披露
招贤纳士
员工福利
招贤纳士
投送简历
B体育(中国)
EN
/
中文
语言
导航
EN
中文
首页
关于我们
公司概况
企业文化
发展历程
企业荣誉
公司架构
核心产品
全自动玻璃盖板印刷系
全自动烘烤炉系列
3D玻璃全制程系列
其他
新闻中心
公司动态
行业资讯
视频中心
投资者关系
实时行情
公告
信息披露
招贤纳士
员工福利
招贤纳士
投送简历
B体育(中国)
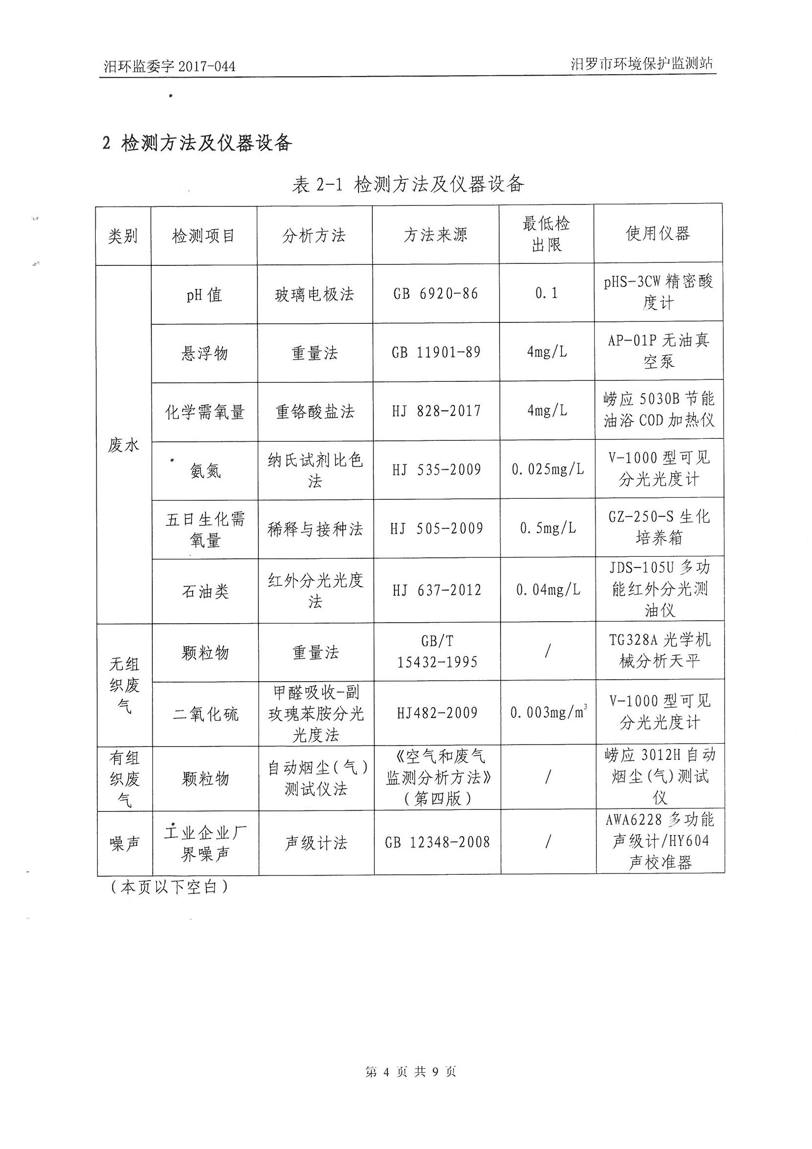
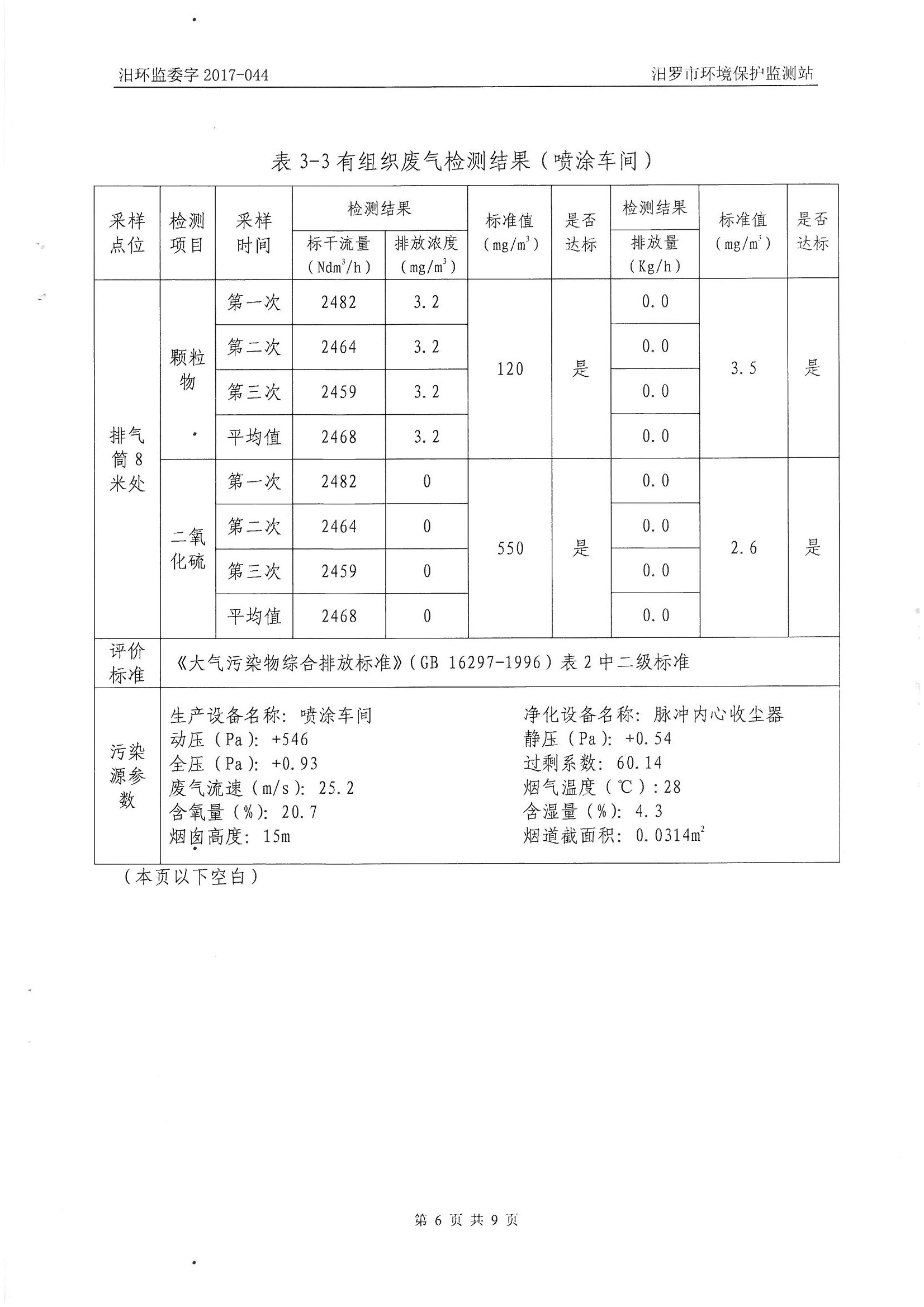
B体育官方在线入口环保监测报告
所属分类:
公司动态
发布时间:
2017-08-22
分享到:
Copyright © 2014-2016 B体育官方在线入口 版权所有 湘ICP备17016185号 执照认证链接
关闭
华体会注册
|
B体育在线登录入口
|
必一网页版登录入口
|
B体育(中国)B-sport·官方网页版
|
B体育_B体育(中国)
|
必一体育官方(中国)总部
|
华体会平台(集团)有限公司官网
|
必一在线注册
|
必一体育官方网站_必一体育(中国)股份有限公司
|